Home | Datacone Engineers

Window Conditioning Cycle Test Rig


TECHNICAL DESCRIPTION :

  • To study all components used in Air Conditioning system.
  • To study the Vapor compression Refrigeration cycle.
  • To study the cooling, humidification,& dehumidification process.
  • To determine the Refrigeration Effect, Work Input, Actual C.O.P.,Carnot C.O.P., Theoretical C.O.P., Relative C.O.P., Ton ofRefrigeration, and Plant Efficiency.

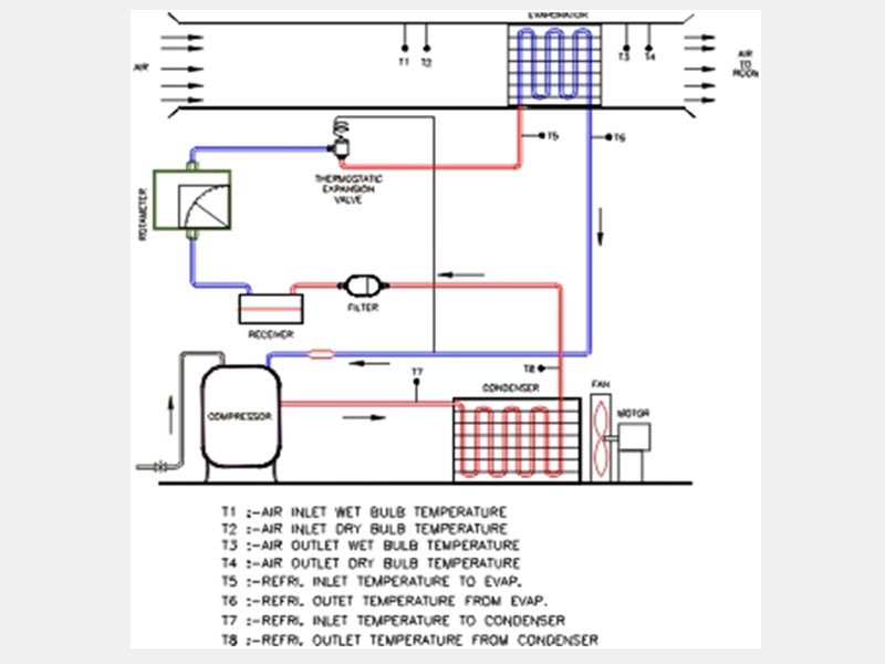
TECHNICAL DESCRIPTION :

The equipment consists of a hermetically sealed compressor, air cooled condenser, blower unit to force air through a duct mounted on frame, an evaporator adopted in the duct, heaters of suitable capacity are clamped in the duct. The power to the heater can be controlled & the air is warmed while it passes over the heater. Rotameter is used in the regeneration circuit which measures the flow of refrigerant (R-134a). The mass flow rate in the duct can be varied by arrangement provided on the blower unit. There is arrangement provided on the blower unit. There is an arrangement for humidification achieved by introducing steam in the duct. The relative humidity of air at inlet & outlet can be measured by a dry/wet bulb thermometer. An expansion valve is provided in the circuit for throttling the gas from HP to LP. There are two gauges for measurement of high & low pressure. Four thermocouples are placed to measure the temperature of gas at the evaporator & condenser, with help of digital temperature indicator. HP/LP cut out is provided for the safety of compressor. The duct is insulated from out side to avoid the heat loss. The control panel consists of switches starter, voltmeter ammeter etc. The measurement of power consumption of compressor by using energymeter. The refrigeration circuit & duct are mounted on a fabricated frame. The blower driven by motor is mounted on separate frame.

DIMENSIONS AND WEIGHT :

Size :2 m.(L)x 1.5 m(W) X 1.5m ( H )
Weight :Approx. 150 Kg

SERVICE REQUIRED :

Power Supply : 440 v Ac Supply 50 Hz

SCOPE OF DELIVERY:

  • Experimental Setup
  • Instructional Manual

OPTIONAL FACILITY: Data logging Facility




© 2016 Datacone Engineers. All rights reserved | Design by Pioneer Infoworld